YVFE2系列變頻調速三相異步電動機
YVFE2 SERIES VARIABLE FREQUENCY THREE-PHASE ASYNCHRONOUS MOTORS
YVFE2系列變頻調速三相異步電動機是以變頻器為供電電源的變頻調速三相異步電動機。通過改變電源頻率實現平滑地調節電動機的轉速,達到節能和控制自動化的目的。
YVFE2系列電動機效率高,調速范圍廣,精度高,運行穩定,操作和維修方便,其安裝尺寸符合國際電工委員會(IEC)標準,外殼防護等級為IP55;電動機有外扇冷風機;電動機的定額是以連續工作制(S1)為基準的連續定額;電動機的額定電壓為380V;F級絕緣額定頻率為50Hz;電動機在3Hz-50Hz頻率范圍內,能保證恒轉矩運行,恒功率運行(對2極電動機50Hz-60Hz,對355-4以外的4極-6極電動機50Hz-100Hz,對355-4電動機50Hz-75Hz)保證恒功率運行。
YVFE2系列電動機適用于驅動軋鋼、起重、運輸、機床、印染、造紙、化工、紡織、制藥等要求連續和頻繁正反轉的各種機械設備上,可與國內外各種變頻電源配套使用。
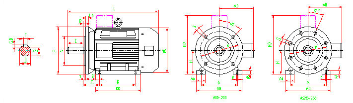
YVF2系列變頻調速三相異步電動機 | |||||||||||
| YVF2 SERIES VARIABLE FREQUENCY THREE-PHASE ASYNCHRONOUS MOTORS | |||||||||||
![]() | |||||||||||
| 機座號 | 80 | 90S | 90L | 100L | 112M | 132S | 132M | 160M | 160L | 180M | 180L |
| L | 295 | 380 | 410 | 465 | 480 | 530 | 570 | 660 | 715 | 775 | 815 |
| 機座號 | 200L | 225S | 225M | 250M | 280S | 280M | 315S | 315L | 315M | 355M | 355L |
| L | 850 | 885 | 915 | 980 | 1085 | 1135 | 1285 | 1395 | 1395 | 1577 | 1577 |
| 注:隨著技術的進步和有關標準的修改,樣本內技術數據及尺寸有所變動,恕不另行通知。 | |||||||||||
運行特性

YVF2系列變頻調速三相異步電動機技術數據 | ||||||||
| YVF2 SERIES VARIABLE FREQUENCY THREE-PHASE ASYNCHRONOUS MOTORS TECHNICAL SPECIFICATIONS | ||||||||
| 型號 | 額定功率 | 額定電流 | 額定輸出轉矩 | 轉速 | 堵轉轉矩 | 最大轉矩 | 轉動慣量 | 重量 |
| (千瓦) | (安培) | (N.m) | (轉/分) | 額定轉矩 | 額定轉矩 | (kg.㎡) | (千克) | |
| Type | Rated Output | Rated Current | Rated output Torque | Speed | Locked Torque | Max Torque | Moment of inertia | Weight |
| (KW) | (A) | (N.m) | (r/min) | Rated Torque | Rated Torque | (kg.㎡) | (Kg) | |
| YVF2-80M1-2 | 0.75 | 1.90 | 2.4 | 2840 | 2.2 | 2.8 | 0.0007 | 17 |
| YVF2-80M2-2 | 1.1 | 2.68 | 3.5 | 2840 | 2.2 | 2.8 | 0.0009 | 19 |
| YVF2-90S-2 | 1.5 | 3.51 | 4.8 | 2840 | 2.2 | 2.8 | 0.0013 | 22 |
| YVF2-90L-2 | 2.2 | 4.93 | 7 | 2840 | 2.2 | 2.8 | 0.0016 | 26 |
| YVF2-100L-2 | 3 | 6.43 | 9.5 | 2860 | 2.2 | 2.8 | 0.0029 | 34 |
| YVF2-112M-2 | 4 | 8.31 | 12.7 | 2880 | 2.2 | 2.8 | 0.0058 | 42 |
| YVF2-132S1-2 | 5.5 | 11.2 | 17.5 | 2900 | 2.2 | 2.8 | 0.0109 | 60 |
| YVF2-132S2-2 | 7.5 | 14.9 | 23.9 | 2900 | 2.2 | 2.8 | 0.0131 | 67 |
| YVF2-160M1-2 | 11 | 21.4 | 35 | 2930 | 2.2 | 2.8 | 0.0392 | 102 |
| YVF2-160M2-2 | 15 | 28.9 | 47.7 | 2930 | 2.2 | 2.8 | 0.0461 | 112 |
| YVF2-160L-2 | 18.5 | 35.4 | 58.9 | 2930 | 2.2 | 2.8 | 0.0603 | 143 |
| YVF2-180M-2 | 22 | 41.8 | 70 | 2940 | 2.2 | 2.8 | 0.0719 | 165 |
| YVF2-200L1-2 | 30 | 56.5 | 95.5 | 2950 | 2.2 | 2.8 | 0.1254 | 225 |
| YVF2-200L2-2 | 37 | 69.3 | 117.8 | 2950 | 2.2 | 2.8 | 0.1429 | 242 |
| YVF2-225M-2 | 45 | 83.8 | 143.2 | 2960 | 2.2 | 2.8 | 0.2339 | 298 |
| YVF2-250M-2 | 55 | 102 | 175.1 | 2965 | 2.2 | 2.8 | 0.3608 | 385 |
| YVF2-280S-2 | 75 | 138 | 238.7 | 2970 | 1.7 | 2.8 | 0.5837 | 546 |
| YVF2-280M-2 | 90 | 165 | 286.5 | 2970 | 1.7 | 2.8 | 0.7176 | 567 |
| YVF2-315S-2 | 110 | 199 | 350.1 | 2975 | 1.7 | 2.8 | 1.3254 | 855 |
| YVF2-315M-2 | 132 | 238 | 420.2 | 2975 | 1.7 | 2.8 | 1.5185 | 955 |
| YVF2-315L1-2 | 160 | 285 | 509.3 | 2975 | 1.7 | 2.8 | 1.7977 | 1080 |
| YVF2-315L2-2 | 200 | 355 | 636.6 | 2975 | 1.7 | 2.8 | 2.1701 | 1230 |
| YVF2-355M-2 | 250 | 444 | 795.8 | 2980 | 1.7 | 2.8 | 3.2282 | 1650 |
| YVF2-355L-2 | 315 | 560 | 1002.7 | 2980 | 1.7 | 2.8 | 3.7211 | 1870 |
| YVF2-80M1-4 | 0.55 | 1.61 | 3.5 | 1390 | 2.0 | 2.8 | 0.0018 | 17 |
| YVF2-80M2-4 | 0.75 | 2.08 | 4.8 | 1390 | 2.0 | 2.8 | 0.0021 | 18 |
| YVF2-90S-4 | 1.1 | 2.89 | 7 | 1390 | 2.0 | 2.8 | 0.0021 | 22 |
| YVF2-90L-4 | 1.5 | 3.78 | 9.5 | 1390 | 2.0 | 2.8 | 0.0027 | 25 |
| YVF2-100L1-4 | 2.2 | 5.24 | 14 | 1410 | 2.0 | 2.8 | 0.0054 | 34 |
| YVF2-100L2-4 | 3 | 6.90 | 19.1 | 1410 | 2.0 | 2.8 | 0.0067 | 37 |
| YVF2-112M-4 | 4 | 9.03 | 25.5 | 1435 | 2.0 | 2.8 | 0.0095 | 46 |
| YVF2-132S-4 | 5.5 | 12.0 | 35 | 1440 | 2.0 | 2.8 | 0.0214 | 62 |
| YVF2-132M-4 | 7.5 | 16.0 | 47.7 | 1440 | 2.0 | 2.8 | 0.0296 | 69 |
| YVF2-160M-4 | 11 | 23.0 | 70 | 1460 | 2.0 | 2.8 | 0.0747 | 107 |
| YVF2-160L-4 | 15 | 30.6 | 95.5 | 1460 | 2.0 | 2.8 | 0.0918 | 128 |
| YVF2-180M-4 | 18.5 | 37.0 | 117.8 | 1470 | 2.0 | 2.8 | 0.139 | 163 |
| YVF2-180L-4 | 22 | 43.7 | 140.1 | 1470 | 2.0 | 2.8 | 0.158 | 184 |
| YVF2-200L-4 | 30 | 59.1 | 191 | 1470 | 2.0 | 2.8 | 0.263 | 233 |
| YVF2-225S-4 | 37 | 71.7 | 235.5 | 1475 | 2.0 | 2.8 | 0.406 | 284 |
| YVF2-225M-4 | 45 | 86.7 | 286.5 | 1475 | 2.0 | 2.8 | 0.469 | 308 |
| YVF2-250M-4 | 55 | 106 | 350.1 | 1480 | 2.0 | 2.8 | 0.66 | 404 |
| YVF2-280S-4 | 75 | 141 | 477.5 | 1480 | 1.7 | 2.8 | 1.12 | 530 |
| YVF2-280M-4 | 90 | 167 | 573 | 1480 | 1.7 | 2.8 | 1.46 | 690 |
| YVF2-315S-4 | 110 | 201 | 700.3 | 1480 | 1.7 | 2.8 | 3.11 | 855 |
| YVF2-315M-4 | 132 | 241 | 840.3 | 1480 | 1.7 | 2.8 | 3.62 | 1055 |
| YVF2-315L1-4 | 160 | 288 | 1018.6 | 1480 | 1.7 | 2.8 | 4.13 | 1040 |
| YVF2-315L2-4 | 200 | 359 | 1273.2 | 1480 | 1.7 | 2.8 | 4.94 | 1340 |
| YVF2-355M-4 | 250 | 449 | 1591.5 | 1490 | 1.7 | 2.8 | 7.62 | 1630 |
| YVF2-355L-4 | 315 | 566 | 2005.3 | 1490 | 1.7 | 2.8 | 7.71 | 1830 |
| YVF2-90S-6 | 0.75 | 2.26 | 7.2 | 910 | 1.9 | 2.8 | 0.0029 | 22 |
| YVF2-90L-6 | 1.1 | 3.18 | 10.5 | 910 | 1.9 | 2.8 | 0.0035 | 28 |
| YVF2-100L-6 | 1.5 | 4.21 | 14.3 | 920 | 1.9 | 2.8 | 0.0069 | 33 |
| YVF2-112M-6 | 2.2 | 5.97 | 21 | 935 | 1.9 | 2.8 | 0.0138 | 44 |
| YVF2-132S-6 | 3 | 7.94 | 28.6 | 960 | 1.9 | 2.8 | 0.0286 | 58 |
| YVF2-132M1-6 | 4 | 10.1 | 38.2 | 960 | 1.9 | 2.8 | 0.0357 | 73 |
| YVF2-132M2-6 | 5.5 | 13.4 | 52.5 | 960 | 1.9 | 2.8 | 0.0449 | 82 |
| YVF2-160M-6 | 7.5 | 17.2 | 71.6 | 970 | 1.9 | 2.8 | 0.0881 | 102 |
| YVF2-160L-6 | 11 | 24.5 | 105 | 970 | 1.9 | 2.8 | 0.116 | 128 |
| YVF2-180L-6 | 15 | 31.7 | 143.2 | 970 | 1.9 | 2.8 | 0.207 | 178 |
| YVF2-200L1-6 | 18.5 | 39.7 | 176.7 | 980 | 1.9 | 2.8 | 0.315 | 224 |
| YVF2-200L2-6 | 22 | 46.3 | 210.1 | 980 | 1.9 | 2.8 | 0.36 | 231 |
| YVF2-225M-6 | 30 | 61.6 | 286.5 | 980 | 1.9 | 2.8 | 0.547 | 300 |
| YVF2-250M-6 | 37 | 74.6 | 353.3 | 980 | 1.9 | 2.8 | 0.834 | 365 |
| YVF2-280S-6 | 45 | 88.0 | 429.7 | 980 | 1.9 | 2.8 | 1.39 | 464 |
| YVF2-280M-6 | 55 | 106 | 525.2 | 980 | 1.9 | 2.8 | 1.65 | 530 |
| YVF2-315S-6 | 75 | 147 | 716.2 | 985 | 1.6 | 2.8 | 4.11 | 855 |
| YVF2-315M-6 | 90 | 173 | 859.4 | 985 | 1.6 | 2.8 | 4.78 | 910 |
| YVF2-315L1-6 | 110 | 211 | 1050.4 | 985 | 1.6 | 2.8 | 5.45 | 955 |
| YVF2-315L2-6 | 132 | 249 | 1260.5 | 985 | 1.6 | 2.8 | 6.12 | 1055 |
| YVF2-355M1-6 | 160 | 301 | 1527.9 | 990 | 1.6 | 2.8 | 7.83 | 1555 |
| YVF2-355M2-6 | 200 | 376 | 1909.9 | 990 | 1.6 | 2.8 | 7.9 | 1715 |
| YVF2-355L-6 | 250 | 470 | 2387.3 | 990 | 1.6 | 2.8 | 8.2 | 1830 |
| YVF2-132S-8 | 2.2 | 6.07 | 28.1 | 705 | 1.8 | 2.8 | 0.0314 | 66 |
| YVF2-132M-8 | 3 | 7.81 | 38.2 | 705 | 1.8 | 2.8 | 0.0395 | 76 |
| YVF2-160M1-8 | 4 | 10.2 | 51 | 720 | 1.8 | 2.8 | 0.0753 | 100 |
| YVF2-160M2-8 | 5.5 | 13.5 | 70 | 720 | 1.8 | 2.8 | 0.0931 | 110 |
| YVF2-160L-8 | 7.5 | 17.8 | 95 | 720 | 1.8 | 2.8 | 0.126 | 128 |
| YVF2-180L-8 | 11 | 25.3 | 140 | 730 | 1.8 | 2.8 | 0.203 | 185 |
| YVF2-200L-8 | 15 | 34.1 | 191 | 730 | 1.8 | 2.8 | 0.339 | 230 |
| YVF2-225S-8 | 18.5 | 41.7 | 236 | 730 | 1.8 | 2.8 | 0.491 | 258 |
| YVF2-225M-8 | 22 | 48.1 | 280 | 730 | 1.8 | 2.8 | 0.547 | 368 |
| YVF2-250M-8 | 30 | 64.3 | 382 | 735 | 1.8 | 2.8 | 0.834 | 420 |
| YVF2-280S-8 | 37 | 78.8 | 471 | 735 | 1.7 | 2.8 | 1.39 | 485 |
| YVF2-280M-8 | 45 | 95.4 | 572 | 735 | 1.7 | 2.8 | 1.65 | 530 |
| YVF2-315S-8 | 55 | 113 | 700 | 735 | 1.7 | 2.8 | 4.79 | 835 |
| YVF2-315M-8 | 75 | 154 | 955 | 735 | 1.7 | 2.8 | 5.58 | 955 |
| YVF2-315L1-8 | 90 | 181 | 1146 | 735 | 1.7 | 2.8 | 6.37 | 1055 |
| YVF2-315L2-8 | 110 | 221 | 1401 | 735 | 1.7 | 2.8 | 7.23 | 1230 |
| YVF2-355M1-8 | 132 | 264 | 1681 | 740 | 1.7 | 2.8 | 8.4 | 1575 |
| YVF2-355M2-8 | 160 | 317 | 2037 | 740 | 1.7 | 2.8 | 8.6 | 1660 |
| YVF2-355L-8 | 200 | 392 | 2546 | 740 | 1.7 | 2.8 | 8.8 | 1755 |
| 注:重量為吊裝時的參考重量,以實物為準。 | ||||||||